霧化片巧制加濕器解決嚴寒酷暑
來源:http://m.huihuangyouhua.com.cn 作者:jinluodz 2013年07月10
.jpg)
夏季酷暑,冬季干燥,是每個人都清楚的,尤其在供暖季節,家里暖氣開放時,總讓人有不舒服的感覺。感冒多發,咽喉炎癥持續整個冬天,手腳干裂產生小口,幾乎都與干燥有關。然而人們巧妙的選用以霧化片制作而成的加濕器。
什么是霧化片呢?霧化片就是用來噴射或則物化作用。霧化片主要是由壓電功能的陶瓷片以及用金屬膜來組合而成,主要就是用金屬膜來銜接在壓電陶瓷片的邊邊上,在金屬膜有微孔區域,這個微孔區就是在金屬膜旁邊,主要是在壓電陶瓷片的另外一面印銀區域往壓電陶瓷片的厚度方面擴張。霧化片主要分為陶瓷霧化片、微孔霧化片、超聲波霧化片這三大類別。
適當的在冬季升高室內濕度相信與升高室內溫度一樣重要,為此,家用加濕器的選購就需要提到議事日程上來。俗話說的濕度是指相對濕度,每次大家從天氣預報中得到的數字說相對濕度百分之多少到百分之多少就是一個空氣濕度的衡量表示方法。這個數字越低,表明空氣越干燥,低到一定程度,人就感覺不舒服了。通俗一點,可以把相對濕度理解為空氣中所含水份的多少。夏天時,家用空調器工作過程中會向外排水,實際上,就是在進行抽濕工作,把空氣中的“水份”減低,因為在夏天,空氣太“潮濕”了,如果不啟動制冷,僅僅啟動“抽濕功能”就會使人感到涼爽,因為濕度降低時,人身上的汗液排出更為順暢,當然會覺得涼爽,這也是為什么空調上都有“抽濕”這個功能。只可惜這是為夏天做準備的,冬季只能另想別的辦法。 加濕器的作用就是在家中室內這個小環境內增加空氣的相對濕度,使得人們的生活更為舒適。
.jpg)
目前市面上常見的加濕器有以下三種工作方式,而目的都是為了增加濕度,可謂“殊途同歸”。
1、熱加濕型:這種加濕器的工作原理簡單,說白了,就是把水燒開,使水變為蒸汽散發到室內,從而達到加濕的目的。這類加濕器有個最大優點,就是肯定是無菌加濕,純凈度極高,確實是“純凈加濕器”。由于這種加濕方式的原理決定,產生的水蒸氣也能夠在室內上升到足夠高度,使得受次種加濕器的“益”的范圍更為擴大。另外,水蒸氣實際上是人看不到的,我們以往能看到的白色“水蒸汽”不過是在空中擴散的水霧而已。 這類加濕器的主要缺點是耗電量大,一般的設計差不多都需要二、三百瓦,一夜下來,要耗三度電甚至還多一些。國外由于供電較充足,多數采用此類加濕器,按照我國電力發展的進度,估計日后也會以此類加濕器為主。這類加濕器的另外一個優點是保養較為容易,也容易做到大加濕量。
2、超聲波加濕型:超聲波是指頻率超出人耳可聽范圍的“聲”波,仍然是一種機械波,以縱波方式在物體中傳播。超聲波加濕器的工作原理是使用一個換能器把電能轉換為機械能,在水中以一種很快的震蕩使水霧化,散布到空氣中來,通過這種方式達到加濕的目的。這類加濕器的主要優點是較為省電,由于換能器和電路的高效率,這種加濕器的耗電量僅為三、四十瓦,一夜也用不了半度電,確實很節省,它的加濕工作也很直觀,白色的水霧讓人看起來很舒服。但是這種加濕器的加濕量不是太大,一般適合于小型臥室使用,由于工作原理的限制,水霧雖然很好看,但受益范圍不大。這類加濕器的主要缺點是保養頻繁,一般每用四、五天就要進行一次保養工作,因為很快就會在酒石酸鉀鈉晶體換能器上形成一層綠苔,如不清理,將直接影響霧化,水霧就沒了!好在各個廠商都提供了清洗劑隨機銷售,清理工作也不麻煩,挺好掌握。這類加濕器的另一個缺點是容易形成空氣二次污染,如果清理不到位再加上水質不好,對人健康不利。使用涼白開水會好一些,這樣也不容易在加濕器前留下白色粉末。據對醫用器械權威人士介紹,因為醫用超聲波霧化機(與家用超聲波加濕器的原理和組成一致)清理不到位導致的二次污染,與兒童在冬季發生的呼吸道感染加劇有密切關系。
3、風機加濕型: 這類加濕器的一個典型特點就是在加濕器內部使用一臺低噪音風機,它的工作原理是使用一個類似毛巾(當然不會是毛巾)的高吸水性物品來先吸收水分,同時讓風機不斷強制循環空氣來帶走水分,散發到空氣中。 這類加濕器一般設計精巧,可以保持水面的平衡,無讓人不能忍受的噪音,加濕量較大,這種方式也使得加濕過程較為純凈,所以也有霧化片廠家把它也叫做“純凈”型。 它的主要優點是省電而且由于強制空氣循環,所以可以起到部分凈化空氣作用。缺點是必須采用高品質風機,所以價格較高,而且也需要保養工作,只是不象超聲波加濕器所需要進行的保養那樣頻繁。對您來說,了解了上述工作原理后,選擇起來就容易的多。 如果您不太在乎耗電,可以選擇電熱加濕器,用時較簡單,加濕量也大;如果您比較勤快,當然可以選擇超聲波加濕器,保養次數多一些就行;如果您預算較高,選擇風機加濕型也有優點。最后,哪個牌子的好問的不科學,就跟”姓什么的是好人?“一樣,選擇適合自己的價錢的話80幾到上千都有。
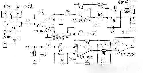
下面是加濕器的工作原理圖

正在載入評論數據...
相關資訊
- [2025-08-29]CTS致力于成為技術的前沿提供創...
- [2025-08-29]Diodes宣布推出一款智能48通道L...
- [2025-08-25]Rakon瑞康為什么應該放棄標準CO...
- [2025-08-25]Transko特蘭斯科推出了結合MEMS...
- [2025-08-23]SiT5503超精密溫度補償晶體振蕩...
- [2025-08-23]探索SiTime專為導航航空航天和國...
- [2024-04-11]CTECH濾波器型號數據列表CLB75P...
- [2024-03-18]Statek晶振產品應用CX20SCSM1-1...


業務經理
客服經理